Alkatrész
-
semegijanos
- Hozzászólások: 761
- Csatlakozott: 2011.02.20., vas. 19:23
- Kapcsolat:
1375
Oszynak!
A hétvégi CEGLÉD-i nyárbúcsúztatóra vidd le a külső gumiköpenyt, és add át Kővári Lacinak (KOXI). Így megoldódik a szállítás.
Ő tud a témáról.Megkértem, hogy hozza el .
- fgyozo
- Hozzászólások: 3848
- Csatlakozott: 2009.10.22., csüt. 16:32
- Tartózkodási hely: Budapest
- Kapcsolat:
1379
1378-ra
1979-1980-as CX-eknek az ülés alatti "fekete doboz" CDI (kb.8cmx10cm) a gyújtás elektronikája és a gyújtó trafóhoz 1-1 db vezeték megy.
Ezeknél a blokk hátulján lévő takaró lemez keskenyebb(ami a blokkból kijövő vezetékeket takarja, pl.a 3 sárga generátor vezetéket ). Itt a kiegyenlítő tartály is a „vastagabb fajta”.
1980 - 1981-től való CX-eknek és a 650-esnek a gyújtás elektronikája a két szürke „ gyufás doboz ” ami talán az oldaldekniben van?
Itt a gyújtás trafókhoz már 2 vezeték megy és a blokk takaró lemez vastagabb a tartály pedig a „ keskenyebb ” fajta.
Ezeknél tirisztoros gyújtás van és a blokk hátuljában lévő jeladó miatt vastagabb a takaró lemez.
A két gyújtás típus fontos eltérése még az is (én majdnem haza vágtam ezzel a rendszeremet ) h a CDI gyújtás úgy szakad meg (úgy állítod le a motort) hogy a kormány kapcsolóval egyszerűen a gyújtást le teszi testre.
A két szürke „ gyufás doboz ” gyújtásnál pedig ez a kapcsoló egyszerűen el veszi a pozitívot.
Na most képzeljétek el mikor az én kormány kapcsolóm ezt letenné testre :- )
1979-1980-as CX-eknek az ülés alatti "fekete doboz" CDI (kb.8cmx10cm) a gyújtás elektronikája és a gyújtó trafóhoz 1-1 db vezeték megy.
Ezeknél a blokk hátulján lévő takaró lemez keskenyebb(ami a blokkból kijövő vezetékeket takarja, pl.a 3 sárga generátor vezetéket ). Itt a kiegyenlítő tartály is a „vastagabb fajta”.
1980 - 1981-től való CX-eknek és a 650-esnek a gyújtás elektronikája a két szürke „ gyufás doboz ” ami talán az oldaldekniben van?
Itt a gyújtás trafókhoz már 2 vezeték megy és a blokk takaró lemez vastagabb a tartály pedig a „ keskenyebb ” fajta.
Ezeknél tirisztoros gyújtás van és a blokk hátuljában lévő jeladó miatt vastagabb a takaró lemez.
A két gyújtás típus fontos eltérése még az is (én majdnem haza vágtam ezzel a rendszeremet ) h a CDI gyújtás úgy szakad meg (úgy állítod le a motort) hogy a kormány kapcsolóval egyszerűen a gyújtást le teszi testre.
A két szürke „ gyufás doboz ” gyújtásnál pedig ez a kapcsoló egyszerűen el veszi a pozitívot.
Na most képzeljétek el mikor az én kormány kapcsolóm ezt letenné testre :- )
Kellemes dugó_mozgást, a párban 
- Plero
- Hozzászólások: 398
- Csatlakozott: 2011.09.05., hétf. 13:44
- Tartózkodási hely: Nyíregyháza
- Kapcsolat:
1380
1379-re
Ha az akku jó akkor szép halál.
Vezetékek melegszenek, összeolvadnak, stb.
Akkor ha jól értem 500-asok -> CDI gyújtás , 650-esek -> Tranzisztoros gyújtás és nem csreszabatosak!!
Ha az akku jó akkor szép halál.
Akkor ha jól értem 500-asok -> CDI gyújtás , 650-esek -> Tranzisztoros gyújtás és nem csreszabatosak!!
By Plero
- Oszy
- Hozzászólások: 1997
- Csatlakozott: 2010.05.13., csüt. 09:56
- Tartózkodási hely: Székesfehérvár
- Kapcsolat:
1382
Fgyozonek igaza van. A leállitás a CDInél un. "kill engine". ezért kellet 1 relét cseréljek a riasztómba, hogy távirányítóról is leálljon.(riasztó tudja ezt a funkciót). A "normál" esetben mindig feszültséget veszünk el a gyújtástól, de régebbi motoroknál pl 250 AWO simson egy 25 w-os izzóval teszi testre a gyújtást.
Ami kicsit megtévesztő bár még a 2 "gyufás dobozba" sosem "néztem" bele, de ha Győző pontosan tudja és tirisztoros akkor vicces mert a CDI-be is 4 db tirisztor van.
Mind2 esetbe a megszakozó (platina) kalapács funkcióját imitálják a tirisztorok. Ez az un elektronikus gyújtás ami manapság már oda fejlődött, hogy nem 1 szikrát hanem sorozatot és utódgyújtást is, meg minden pillanatba pontosan állítja az előgyújtást....de ez már bonyolult és csak elméleti síkon ismerem....
A mi CDI-nk ha jól tudom 2 lépésben állitj az előgyújtást. azza 0~3500 rpm és e fölött léptet egy nagyobb szögre.
A "gyufás dobozt" nem ismerem de utána nézek pontosabban, szerintem ez folyamatosan állitja az előgy.-t és ezért lehet kisebb fogyasztást elérni ezekkel.
Természetesen nem csereszabatos a CDI-vel, nem a leállítás miatt hanem a blokkba más a jeladó (tekercs ha egyáltalán az van és nem HALL IC) ami vezérli az elktrónikát. ezért is amint fgyozo irta, más a takaró lemez ami mögött áll ez a jeladó.
Ha tévedek kérlek javitsatok-pontósitsatok. minden részlet érdekel engemis!
Ami kicsit megtévesztő bár még a 2 "gyufás dobozba" sosem "néztem" bele, de ha Győző pontosan tudja és tirisztoros akkor vicces mert a CDI-be is 4 db tirisztor van.
Mind2 esetbe a megszakozó (platina) kalapács funkcióját imitálják a tirisztorok. Ez az un elektronikus gyújtás ami manapság már oda fejlődött, hogy nem 1 szikrát hanem sorozatot és utódgyújtást is, meg minden pillanatba pontosan állítja az előgyújtást....de ez már bonyolult és csak elméleti síkon ismerem....
A mi CDI-nk ha jól tudom 2 lépésben állitj az előgyújtást. azza 0~3500 rpm és e fölött léptet egy nagyobb szögre.
A "gyufás dobozt" nem ismerem de utána nézek pontosabban, szerintem ez folyamatosan állitja az előgy.-t és ezért lehet kisebb fogyasztást elérni ezekkel.
Természetesen nem csereszabatos a CDI-vel, nem a leállítás miatt hanem a blokkba más a jeladó (tekercs ha egyáltalán az van és nem HALL IC) ami vezérli az elktrónikát. ezért is amint fgyozo irta, más a takaró lemez ami mögött áll ez a jeladó.
Ha tévedek kérlek javitsatok-pontósitsatok. minden részlet érdekel engemis!
A vélemény olyan, mint a segglyuk. Mindenkinek van, de senki nem kíváncsi a másikéra.
- Oszy
- Hozzászólások: 1997
- Csatlakozott: 2010.05.13., csüt. 09:56
- Tartózkodási hely: Székesfehérvár
- Kapcsolat:
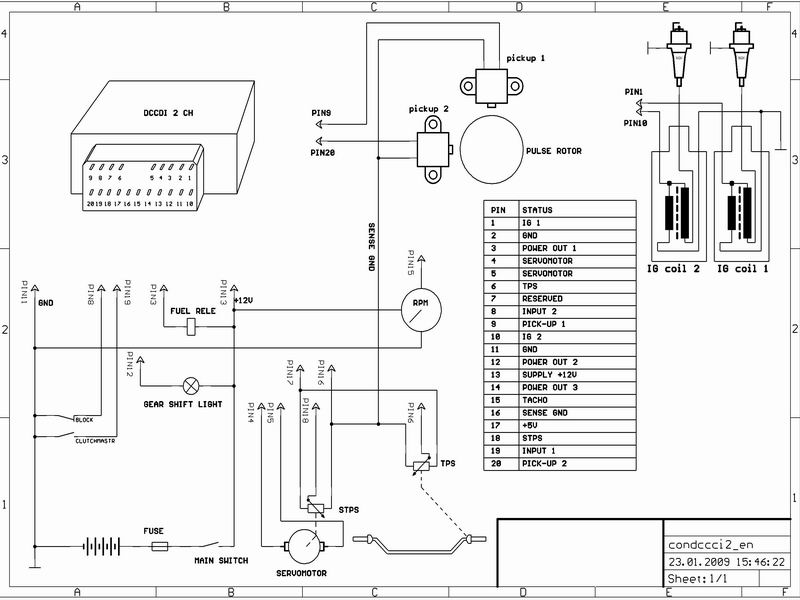
1384 univerzális CDI
Janinak!
Szia,
Kutakodva találtam a neten új univerzális CDI-t. Ha jól értelmezem akkor számítógép segítségével finomhangolható (állitható-programozható). Ha lesz fölös keretem akkor lehet én is beruházok 1re.
Cseh cég gyártja, sok fajta gyújtásuk van.
Leirás PDf-be:
http://www.ignitech.cz/english/dccdip2/ ... ip2_en.pdf
Leirás DOc-ba(word):
http://www.ignitech.cz/english/dccdip2/ ... ip2_en.doc
Itt: http://www.ignitech.cz/english/aindex.htm

Bekötés:
Szia,
Kutakodva találtam a neten új univerzális CDI-t. Ha jól értelmezem akkor számítógép segítségével finomhangolható (állitható-programozható). Ha lesz fölös keretem akkor lehet én is beruházok 1re.
Cseh cég gyártja, sok fajta gyújtásuk van.
Leirás PDf-be:
http://www.ignitech.cz/english/dccdip2/ ... ip2_en.pdf
Leirás DOc-ba(word):
http://www.ignitech.cz/english/dccdip2/ ... ip2_en.doc
Itt: http://www.ignitech.cz/english/aindex.htm

Bekötés:
A vélemény olyan, mint a segglyuk. Mindenkinek van, de senki nem kíváncsi a másikéra.
Ki van itt
Jelenlévő fórumozók: nincs regisztrált felhasználó valamint 134 vendég